skip to Main Content

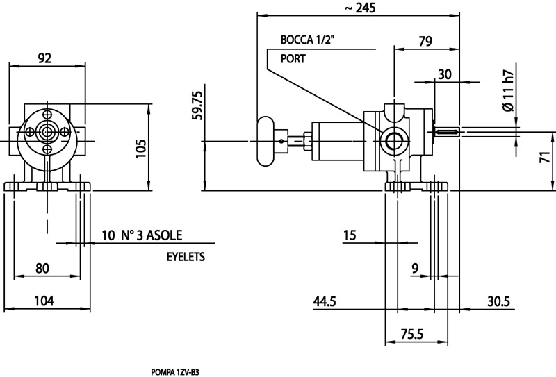
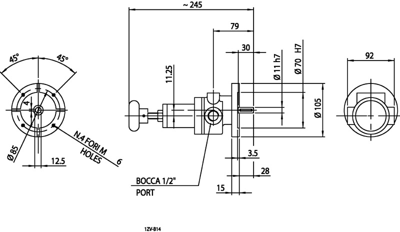
1 ZV

Hubvolumen: 1,05 cm³/U

Nennförderstrom: 1,00 l/min (0,06 m³/h) bei 950 U/min

Gewicht B3: 3,3 kg

Gewicht B14: 3,5 kg

Produktdatenblatt als PDF herunterladen

Categoria:

Descrizione

U/Min.
l/min
g.p.m.
100
0,1
.03
200
0,2
.06
300
0,3
.08
400
0,4
.11
500
0,5
.14
600
0,6
.17
700
0,7
.20
800
0,8
.22
900
0,9
.25
1000
1,0
.28
1100
1,1
.31
1200
1,3
.33
1300
1,4
.36
1400
1,5
.39
1500
1,6
.42
Back To Top