skip to Main Content

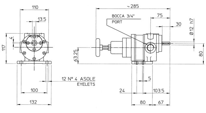
16 ZV

Hubvolumen: 16,4 cm³/U

Nennförderstrom: 15,6 l/min (0,94 m³/h) bei 950 U/min

Gewicht B3: 8,0 kg

Gewicht B14: 9,0 kg

Produktdatenblatt als PDF herunterladen

Descrizione

U/Min.
m3/h
l/min
g.p.m.
100
0,10
1,6
43
200
0,20
3,3
.87
300
0,30
4,9
1.3
400
0,4
6,6
1.7
500
0,5
8,2
2.2
600
0,6
9,8
2.6
700
0,7
11,5
3.0
800
0,8
13,1
3.5
900
0,9
14,8
3.9
1000
1,0
16,4
4.3
1100
1,1
18,0
4.8
1200
1,2
19,7
5.2
1300
1,3
21,3
5.6
1400
1,4
23,0
6.0
1500
1,5
24,6
6.5
Back To Top