skip to Main Content

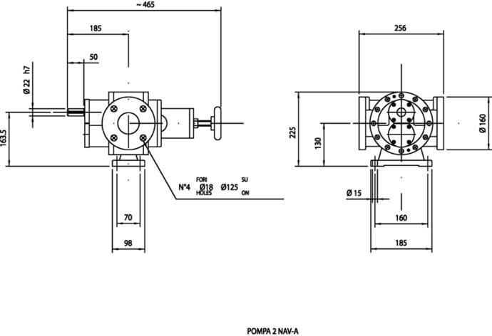
2 NAV A

Nennförderstrom: 15,4 m³/h (250 l/min) bei 950 U/min

Hubvolumen: 270 cm³/U

Drehzahl: bis zu 1.450 U/min in Abhängigkeit von der Viskosität des Mediums

Gewicht: 40 kg

Flansche: UNI DN 50 PN 16

Produktdatenblatt als PDF herunterladen

Descrizione

U/Min.
m3/h
l/min
g.p.m.
100
1,6
27,0
7.16
200
3,2
54,0
14.3
300
4,9
81,0
21.5
400
6,5
108
28.7
500
8,1
135
35.8
600
9,7
162
43.0
700
11,3
189
50.1
800
13,0
216
57.3
900
14,6
243
64.5
1000
16,2
270
71.6
1100
17,8
297
78.8
1200
19,4
324
86.0
1300
21,0
351
93.1
1400
22,7
378
100
1500
24,3
405
107
Back To Top