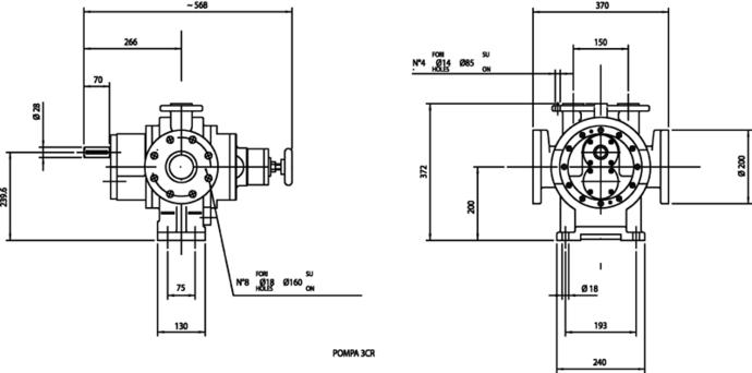
3 CR
Nennförderstrom: 32,6 m³/h (543 l/min) bei 540 U/min
Hubvolumen: 1005 cm³/U
Drehzahl: bis zu 950 U/min in Abhängigkeit von der Viskosität des Mediums
Gewicht: 85 kg
Flansche: UNI DN 80 PN 16
Descrizione
U/Min.
m3/h
l/min
g.p.m.
50
3,0
50,2
13.3
100
6,0
100
26.6
150
9,0
151
39.8
200
12,1
201
53.1
250
15,1
251
66.4
300
18,1
301
79.6
350
21,1
352
92.9
400
24,1
402
106
450
27,1
452
119
500
30,1
502
133
550
33,2
553
146
600
36,2
603
159
650
39,2
653
173
700
42,2
703
186
750
45,2
754
199
800
48,2
804
212
850
51,2
854
226
900
54,3
904
239
950
57,3
955
252



